Increase your engineering productivity
Reduce time and costs with Model Broker, our application for automatic recognition and extraction of information from engineering diagrams in PDF, DXF or DWG formats.
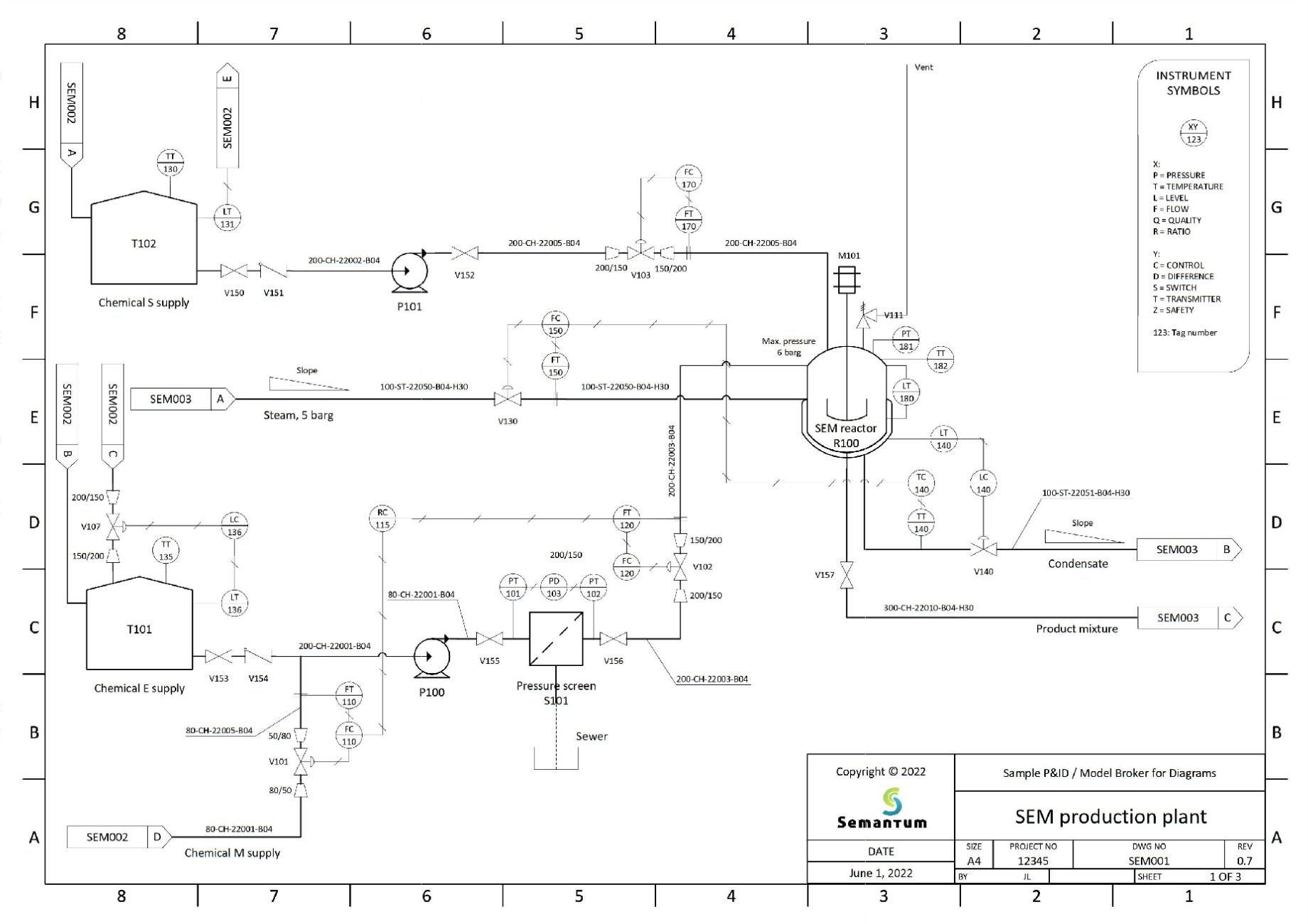
P&IDs
Logic Diagrams
MODEL BROKER solution
Source
Material
Material
Model Broker for Diagrams supports engineering drawings in vectorized PDF, DXF and DWG formats as source material. However, raster image support is currently under development.
Symbol
Recognition
Recognition
The recognition and mapping rules are based on a highly customizable configuration that can be adapted to improve recognition and mapping of symbols, their connections and text.
Target
Formats
Formats
Extracted information from legacy diagrams can be exported into machine-readable formats such as CSV tables, DEXPI files, or PLCopen files. Support for other formats can be implemented.

Vectorized diagrams support
Model Broker for Diagrams supports engineering drawings in vectorized PDF, DXF and DWG formats as source material. Vectorized drawings differ from raster images as they are composed of well-structured paths, while raster images are bitmaps of pixels. Most of the CAD tools utilized in industry for drawing logic diagrams support vectorized PDF format. Raster image support is currently under development.
Are you interested in knowing if your design material is supported by Model Broker for Diagrams? Do not hesitate to contact us for more information!
Are you interested in knowing if your design material is supported by Model Broker for Diagrams? Do not hesitate to contact us for more information!
Translation based on adaptive rules
Model Broker for Diagrams can recognize symbols, their connections and text in the source diagram. It then automatically extracts this information and maps into the target format. Automatic translation into the target format is based on editable symbol recognition and mapping rules that can be edited according to the source material for improving the results.
Editing these rules is easy and it is required only once before the actual data extraction is carried out. Initial configuration of the translation rules can be based on pre-existing configuration presets. However, these rules can be further customized to adapt to your design material.
Editing these rules is easy and it is required only once before the actual data extraction is carried out. Initial configuration of the translation rules can be based on pre-existing configuration presets. However, these rules can be further customized to adapt to your design material.


Multiple target formats supported
P&IDs’ information can be extracted to create lists of equipment, lists of pipelines or lists of instruments. P&IDs can also be converted into DEXPI format to create intelligent diagrams or to integrate with other systems supporting this industrial standard.
Extracted information in electrical and logic diagrams can be used to create list of automation I/Os or lists of control loops. This information can also be used to create PLCopen XML files (IEC 61131) for automatically creating PLC software or DCSs control applications. Logic diagrams can also be used to create Apros control application models.
Extracted information in electrical and logic diagrams can be used to create list of automation I/Os or lists of control loops. This information can also be used to create PLCopen XML files (IEC 61131) for automatically creating PLC software or DCSs control applications. Logic diagrams can also be used to create Apros control application models.
Make your data machine-readable and meaningful
Reduce costs and shorten project
execution time.
Contact usexecution time.